电流互感器在工厂供电系统中,广泛应用于测量、继电?;?。而电流互感器的接线有多种方式,分别应用于不同供电系统的继电保护。 电流互感器的接线方式
所谓电流互感器的接线方式是指电流互感器与电流继电器之间的联接方式。电流互感器在三相电路中有以下四种接线方式。
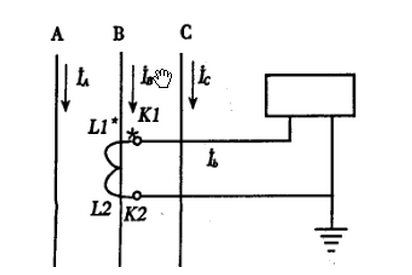
1. 一相式接线方式

一相式接线方式如图所示,电流线圈通过的电流,反映一次电路相应相的相电流,通常用于负荷平衡的三相电路如低压动力线路中,供测量电流或接过负荷?;ぷ爸弥?。
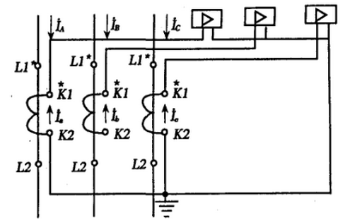
2.三相式完全星形接线

三相式完全星形接线方式如图所示,这种方式对各种故障都起作用。当故障电流相同时,对所有故障都同样灵敏,对相同短路动作可靠,至少有两个继电器动作,因此主要用于高压大电流接地系统以及大型变压器、电动机的差动?;?、相间短路保护和单相接地短路?;ず透汉梢话悴黄胶獾娜嗨南咧葡低?,也用在负荷可能不平衡的三相三线制系统中,作三相电流、电能测量
3.两相不完全星形接线

两相不完全星形接线如图所示,在正常运行及三相短路时,中线通过电流为I0=Ia+Ic=-Ib,反映的是未接电流互感器那一相的相电流。如两只互感器接于A相和C相,AC相短路时,两只继电器均动作;当AB相或BC相短路时,只有一个继电器动作。而在中性点直接接地系统中,当B相发生接地故障时,?;ぷ爸貌欢?。所以这种接线?;げ涣怂械ハ嘟拥毓收虾湍承┝较喽搪?,但刚好满足中性点不直接接地系统允许一相接地继续运行一段时间的要求。因此,这种接线广泛应用在中性点不接地系统。
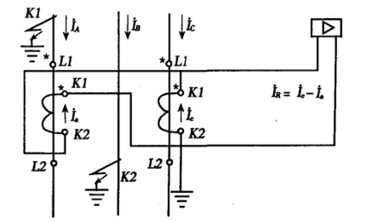
4.两相电流差式接线

两相电流差式接线如图所示,这种接线方式的特点是流过电流继电器的电流是两只电流互感器的二次电流的相量差IR=Ia-Ib,因此对于不同形式的故障,流过继电器的电流不同。
在正常运行及三相短路时,流经电流继电器的电流是电流互感器二次绕组电流的3 倍。
当装有电流互感器的A、C两相短路时,流经电流继电器的电流为电流互感器二次绕组的两倍。
当装有电流互感器的一相(A相和C相)与未装电流互感器的B相短路时,流经电流继电器的电流等于电流互感器二次绕组的电流。
当未装电流互感器的一相发生单相接地短路,继电器不能反应其故障电流,因此不动作。 因两相差式接法接线比较简单,价格便宜,在中性点不接地系统中,能满足可靠和灵敏度动作要求,所以适用于中性点不接地系统中的变压器、电动机及线路的相间?;ぁ?/p>
下一篇:什么是零序电流互感器?